Kit Venti5
Maniglietta minimal brevettata che libera la creatività della porta.

Caratteristiche tecniche

Diametro
Diametro 25 mm
Spessore porta
Spessore porta da 39 a 44 mm
Materiale
Materiale metallo
Design

Design

Il design della maniglietta è estremamente ergonomico: una leggera pressione sulla tacca favorisce l'uscita della maniglietta.
Unica fresata

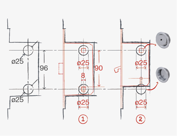
Unica fresata

Con l'unica fresata del pannello anta per le serrature Mediana e XT (1), il kit Venti5 permette di utilizzare anche Scivola T frontale Mediana. Le scorte di pannelli porta a magazzino saranno così ridotte (2).
Sei interessato ad
acquistare questo prodotto?
Contattaci per maggiori informazioni